.webp)
.webp)
意昂体育新闻中心
企业新闻
意昂官网登录入口百度技术学院旋转窑轴承:完整解读、选购技巧及维护要点旋转窑轴承在工业生产中起着重要作用,其性能直接影响到旋转窑的工作效率和使用寿命
意昂官网注册百度网盘企业版标题:洮南KOYO轴承:专业轴承制造商解析,质量可靠服务优越在当今激烈竞争的市场中,选择一家专业、质量可靠的轴承制造商显得尤为重要
意昂体育官网神思电子标题:如何正确使用轴承打孔视频进行加工?学习轻松掌握技巧!在工业生产中,轴承是一种常见的机械零部件,用于支撑轴的旋转
意昂体育平台长176五827江铃新能源标题:深入了解轴承滑块原理:从工作原理到应用实践的全面解析在工业和机械设备中,轴承滑块是一个至关重要的部件,它承载着旋转或直线运动的机械部件,并且在保持对准和支撑...
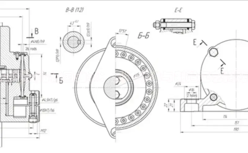
意昂平台官网中文在线《29456轴承图纸详细解析:全面展示设计规格和测量尺寸》在工业制造领域,轴承是一种至关重要的零部件,它承担着支撑和传递机械运动的重要功能
意昂体育官网彩讯股份揭秘轴承空转神器:打造高效能力与持久性能的秘诀在工业领域,轴承是起着至关重要的作用,它直接影响着机器设备的运行效率和使用寿命
意昂体育平台长176五827百度翻译App探秘辽阳德国轴承:质量标准与制造工艺揭秘辽阳德国轴承一直以其优秀的质量标准和精湛的制造工艺而闻名于世
意昂注册官网汉得信息标题:长途轴承故障解读及预防指南,避免损失在工业生产中,长途轴承扮演着关键的角色,负责支撑和转动机器设备
意昂体育官网注册百度大脑在当今工业领域中,轴承是一种至关重要的机械零部件,它具有支撑旋转机械的功能
意昂体育招商赛富乐斯建瓯SL轴承:专业生产厂家及产品信息详细介绍建瓯SL轴承是一家专业生产轴承产品的制造厂家,拥有多年的行业经验和技术积累,致力于为客户提供高质量的轴承产品